132
污水排入城鎮(zhèn)下水道水質標準
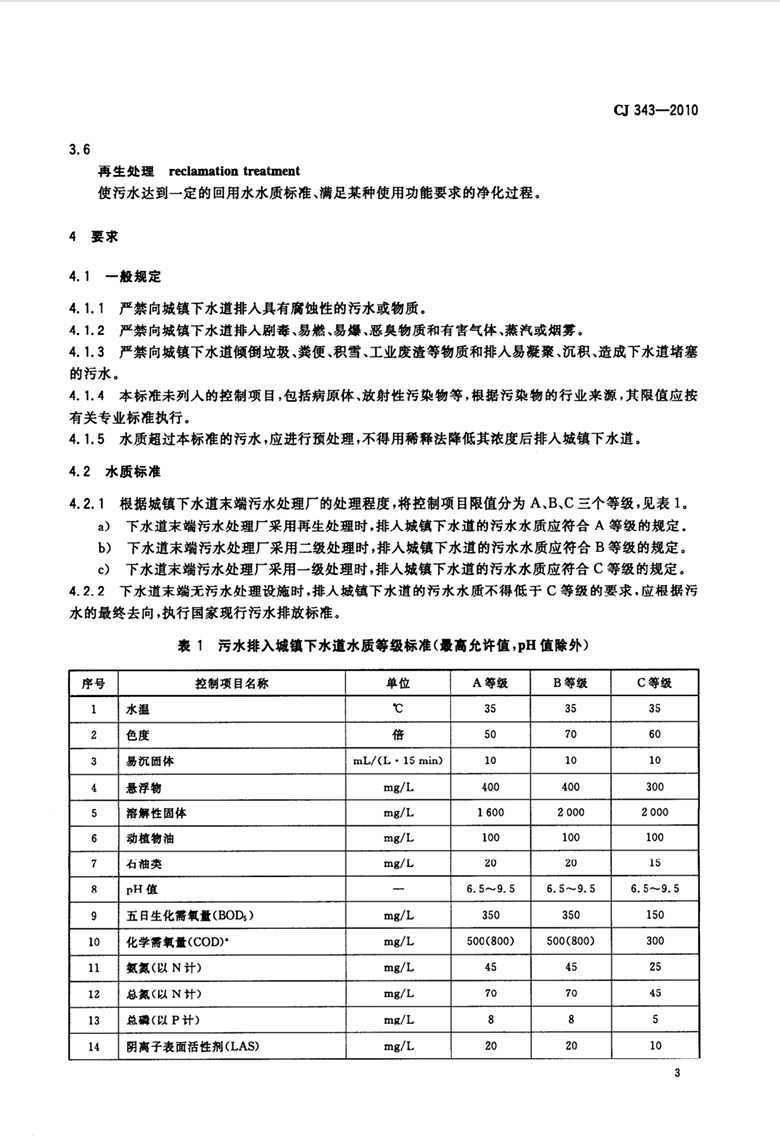
最新《污水排入城鎮(zhèn)下水道水質標準》(GB/T 31962-2015)已于2016年8月1日實施。為了便于準確的理解和查找,廣東威特雅整理了最新《GB/T 31962-2015 污水排入城鎮(zhèn)下水道水質標準》全文獻給大家!








分享:
Wteya Product Center
產品中心
與眾多優(yōu)質客戶建立長期合作關系
合作客戶
免費獲取報價